Мебельный навес LIBRA H11 с предустановленными футорками и винтами
ПРОКОНСУЛЬТИРОВАТЬСЯ
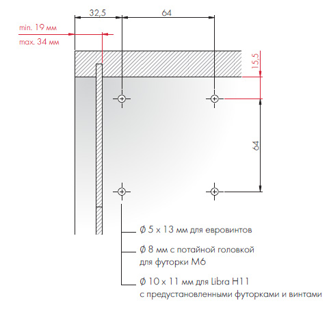
Присадочные размеры (без использования заглушки)
Боковая панель и сервисный зазор
Задняя панель
Присадочные размеры (с использованием заглушки)
Боковая панель и сервисный зазор
Задняя панель
Установка LIBRA H11 с предустановленными футорками и винтами
Подходит для сборки автоматическим инструментом.

Установка на стену
Внимание! Убедитесь, что стена в месте фиксации навеса приемлемого качества. Используйте крепёжную фурнитуру, соответствующую конструкции стены.

Установка заглушки (опционально)

Регулировка навеса

1. По вертикали — 12 мм.
2. По глубине — 10 мм.
3. Блокировка системы против опрокидывания

Прекратите закручивать красный болт, когда он касается планки
2. По глубине — 10 мм.
3. Блокировка системы против опрокидывания
Прекратите закручивать красный болт, когда он касается планки
Использование навеса LIBRA H11 в корпусах с выдвижными ящиками
- Возможность использования максимальной глубины ящика за счет минимальной толщины навеса.
- Не требуется дополнительной подготовки боковин для установки навеса в корпус с выдвижным ящиком.
- Удобная регулировка навеса в корпусе — свободный беспрепятственный доступ к регулировочным винтам под прямым углом (при регулировке навеса не использовать шуруповерт!).
